

WM8962 - Ultra Low Power Codecs for Portable Audio Applications
WM8962是Cirrus Logic公司的一款低功耗音频转换器产品,WM8962是Ultra Low Power Codecs for Portable Audio Applications,本站介绍了WM8962的封装应用图解、特点和优点、功能等,并给出了与WM8962相关的Cirrus Logic元器件型号供参考。
WM8962 - Ultra Low Power Codecs for Portable Audio Applications - 低功耗音频转换器 - 音频 - Cirrus Logic
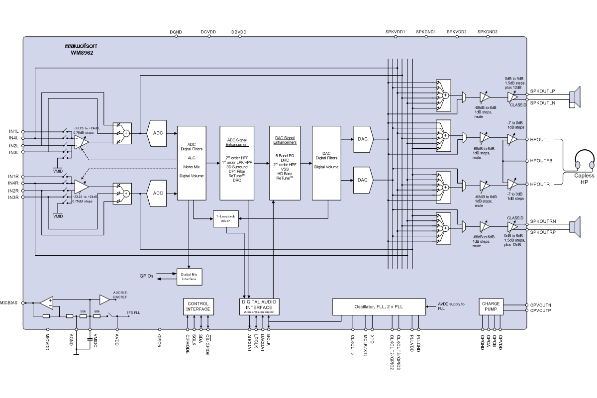
WM8962/62B - 产品描述
WM8962/62B - 产品特性
- DACSNR98dB('A'weighted),THD-84dBat48kHz,1.8V
- ADCSNR94dB('A'weighted),THD-85dBat48kHz,1.8V
- StereoClassDSpeakerDriver
- 1Wperchannelinto8?BTLspeakers
- 2Wmono(forimprovedTHD)
- Flexibleinternalswitchingclock
- CirrusLogic'Class-W'ultra-lowpowerheadphonedriver
- Upto31mWperchanneloutputpowerat1%THD+Ninto16?at1.8V
- GroundReferenced
- Lowoffset(±1.2mV)
- Popandclicksuppression
- Controlsequencerforpop-minimisedpower-up/down
- Singleregisterwritefordefaultstart-upsequence
- MicrophoneInterface
- Singleendedfourstereoanaloginput
- IntegratedlownoiseMICBIAS
- Digitalmicrophoneinterface
- ProgrammableALC/LimiterandNoiseGate
- ProgrammableAudioEnhancementDSPwithPresets
- VirtualSurroundSound
- HDBass
- ReTune
- FixedAudioProcessingDSP
- 3Dstereowidening
- 5-bandParametricEQ
- Dynamicrangecontroller
- Beepgenerator
- TwointegratedPLLsenableclockingoffullaudiosystem
- LowPowerConsumption
- 7.7mWheadphoneplayback
- 8.3mWanalogrecordmode
- LowSupplyVoltages
- Analog1.7Vto2.0V(Speakersupplyupto5.5V)
- Chargepump1.7Vto2.0V
- MICbiasampsupply1.7Vto3.6V
- Digital1.62Vto2.0V
- two-wireI2Cand3-or4-wireSPIserialcontrolinterface
- Standardsampleratesfrom8kHzto96kHz
- W-CSP,3.6x3.9mm49-pin
WM8962/62B - 规格表
| Part | Dynamic Range (dB) | THD+N (dB) | Sample Rate (kHz) | Analog I/O | Power Supply (V) | Comments | Package |
|---|---|---|---|---|---|---|---|
| WM8962 | 98DAC; 94ADC | -84DAC; -82ADC | 96 | Single-ended | VA=1.7to2; VD=1.62to2 | VSS, HD bass, ReTune, 3D, EQ, DRC, DMIC interface, programmable ALC & noise gate, HP/speaker amps, PLL, FLL | 49 WLCSP |
| WM8962B | 98DAC; 94ADC | -79DAC; -86ADC | 96 | Single-ended | VA=1.71to2; VD=1.62to2 | VSS, HD bass, ReTune, 3D, EQ, DRC, DMIC interface, programmable ALC & noise gate, HP/speaker amps, PLL, FLL | 49 WLCSP |
下面可能是您感兴趣的Cirrus Logic公司低功耗音频转换器元器件


Cirrus Logic公司产品现货专家,订购Cirrus Logic公司产品不限最低起订量,Cirrus Logic产品大陆现货即时发货,香港库存3-5天发货,海外库存7-10天发货
寻找全球Cirrus Logic代理商现货货源 - Cirrus Logic公司电子元件在线订购





